A DC Micro Motors termékek különböző méretben és különböző teljesítményben állnak rendelkezésre.
Minden típusnál több áttétel és a feszültség közül választhatnak.
A Micro Motors egyenáramú motor mágneses jeladóval is elérhető, amivel figyelhető a fordulatszám és a haladás
* Minden termékünkre 1 év garanciát vállalunk
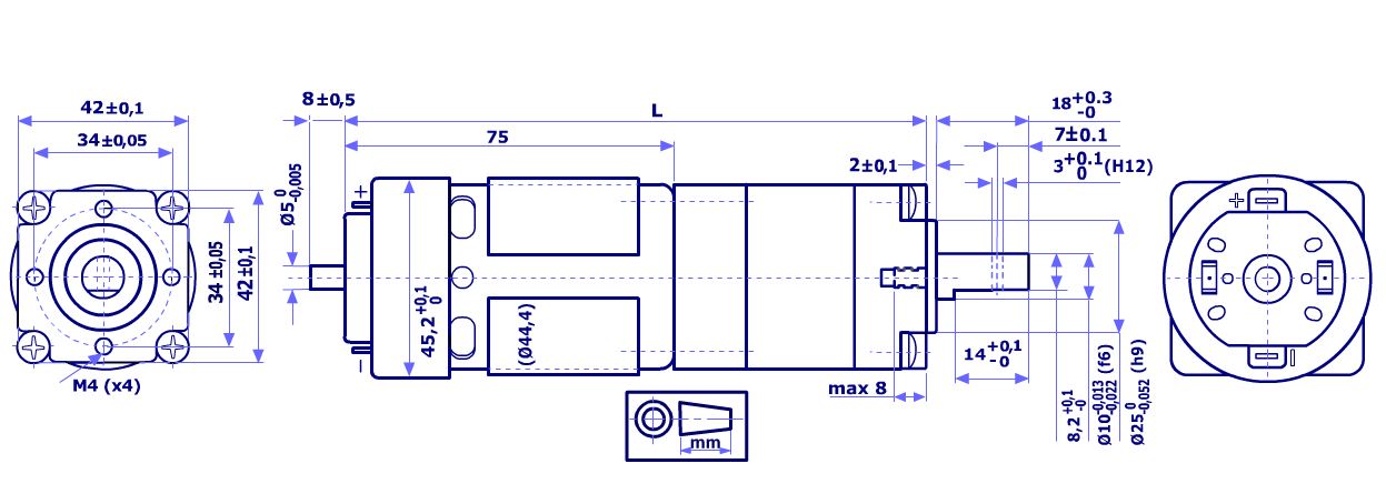
Bolygókerekes hajtómű
VDR-ellenállás a kollektoron.
Kihajtó tengelynél dupla golyóscsapágy.
Max. radiális terhelhetőség: 300N(10 mm-re a rögzítő peremtől).
Max. axiális terhelhetőség: 150N.
Forgásirány a polarítás függvényében.
Minden pozicióba szerelhető.
Hőmérséklet tartomány: -20°C/60°C
Súlya kb. 700/900g
Technikai tulajdonságok 20 C° -on +/-10%
| TYPE | NÉVLEGES FESZÜLTSÉG |
L | ÁTTÉTEL :1 |
NOMINAL TORQUE |
SEBESSÉG | ÁRAMFELVÉTEL | INPUT POWER TORQUE |
||||
| NO LOAD |
AT NOMINAL TORQUE |
NO LOAD |
AT NOMINAL TORQUE |
||||||||
| v | mm | Ncm | rpm | A | W | ||||||
| P205 | 12 24 |
4 | 12 24 |
120,5 | 4 | 50 | 1024 1017 |
625 640 |
<0,7 <0,4 |
5,45 2,70 |
65,4 64,8 |
| P205 | 12 24 |
6 | 12 24 |
120,5 | 6,25 | 60 | 656 652 |
459 470 |
<0,7 <0,4 |
4,20 2,15 |
50,4 51,6 |
| P205 | 12 24 |
16 | 12 24 |
133 | 16 | 150 | 257 256 |
178 186 |
<0,7 <0,4 |
4,50 2,20 |
54,0 52,8 |
| P205 | 12 24 |
25 | 12 24 |
133 | 25 | 250 | 165 165 |
110 116 |
<0,7 <0,4 |
4,55 2,30 |
54,6 55,2 |
| P205 | 12 24 |
39 | 12 24 |
133 | 39,06 | 350 | 106 105 |
75 77 |
<0,7 <0,4 |
4,20 2,10 |
50,4 50,4 |
| P205 | 12 24 |
64 | 12 24 |
145,5 | 64 | 600 | 64 64 |
41,5 45 |
<0,7 <0,4 |
4,80 2,40 |
57,6 57,6 |
| P205 | 12 24 |
100 | 12 24 |
145,5 | 100 | 700 | 41,3 41,3 |
30,3 32,4 |
<0,7 <0,4 |
3,60 1,75 |
43,2 42,0 |
| P205 | 12 24 |
156 | 12 24 |
145,5 | 156,25 | 800 | 26,5 26,5 |
21,3 22 |
<0,7 <0,4 |
2,85 1,45 |
34,2 34,8 |
| P205 | 12 24 |
244 | 12 24 |
145,5 | 244,14 | 900 | 16,9 16,9 |
14,9 14,9 |
<0,7 <0,4 |
2,20 1,10 |
26,4 26,4 |
| P205 | 12 24 |
400 | 12 24 |
158 | 400 | 900 | 10,2 10,2 |
9,4 9,4 |
<0,7 <0,4 |
1,65 0,85 |
19,8 20,4 |
| P205 | 12 24 |
625 | 12 24 |
158 | 625 | 900 | 6,7 6,7 |
6,3 6,3 |
<0,7 <0,4 |
1,25 0,65 |
15,0 15,6 |
TÍPUS |
L149 | B138F BS138F |
B138F.4/12 BS138F.4/12 |
HL149 | HV155 | RH158 | RH159 | BL192 | PS150 | E192 | P205 | |
| Feszültség | V | 4-6-12 | 6-12 | 12 | 12-24 | 12-24 | 12-24 | 12-24 | 24 | 12-24 | 12-24 | 12-24 |
| Áttétel | 10 ÷ 392 | 12 ÷ 1470 | 12 ÷ 608 | 10 ÷ 90 | 10 ÷ 90 | 15 ÷ 630 | 30 ÷ 630 | 30 ÷ 625 | 30 ÷ 625 | 3 ÷ 625 | 4 ÷ 625 | |
| Max.nyomaték | Ncm | 20 | 50 | 50 | 15 | 25 | 100 | 100 | 300 | 250 | 300 | 900 |
| Sebesség(terhelés nélkül) | RPM | 255 ÷ 6 | 220 ÷ 1,8 | 320 ÷ 6,5 | 315 ÷ 37 | 660 ÷ 75 | 440 ÷ 10 | 110 ÷ 5 | 1360 ÷ 8 | 2040 ÷ 11 | 1100 ÷ 6,4 | 1024 ÷ 6,7 |
| Sebesség(max.terhelés) | RPM | 165 ÷ 4 | 155 ÷ 1,6 | 250 ÷ 5,3 | 220 ÷ 30 | 460 ÷ 62 | 300 ÷ 9 | 70 ÷ 4,5 | 880 ÷ 7,5 | 1340 ÷ 8,5 | 770 ÷ 6 | 640 ÷ 6,3 |
| Méretek | mm | Ø 27 | Ø 34 | Ø 34 | Ø 30 | Ø 30 | Ø 39,6 | Ø 39,6 | Ø 40,5 | Ø 30 | Ø 40,5 | ☐ 42 |
Kérjen ajánlatot