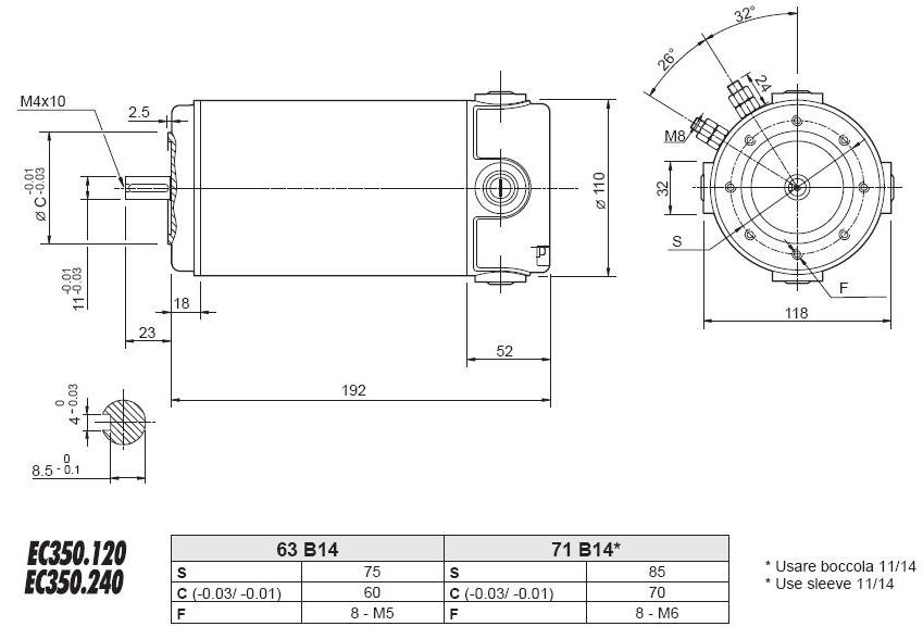
EC350