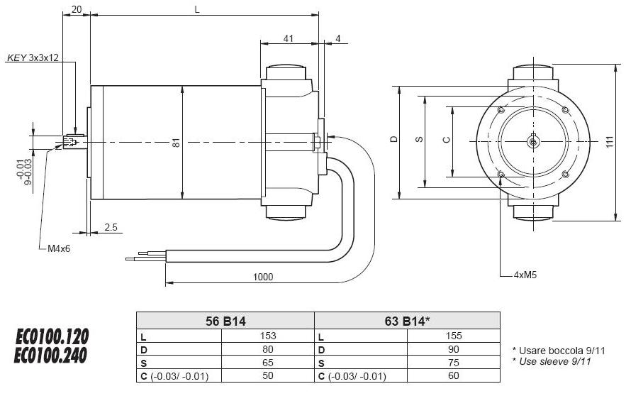
EC100