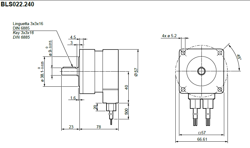
BLS022.240